SA-1810
価格:¥58,800(税別)〜
商品番号:SA-1810
【用途】
軽荷重搬送用
小物部品搬送に最適
【製品の特徴】
1)ローラ径φ18.0、ローラ間隔最小P20です。
2)ローラ幅(公称)は90W~500Wの50mmとびが標準です。フリーサイズも製作可能です。
3)プレスベアリング
ストッパー、ガイド選択時は、バラ送りとなります。
ゴム巻きの標準硬度は60度となります。
割引会員の登録でいつでも30%~OFF!!!
軽荷重搬送用
小物部品搬送に最適
【製品の特徴】
1)ローラ径φ18.0、ローラ間隔最小P20です。
2)ローラ幅(公称)は90W~500Wの50mmとびが標準です。フリーサイズも製作可能です。
3)プレスベアリング
ストッパー、ガイド選択時は、バラ送りとなります。
ゴム巻きの標準硬度は60度となります。
割引会員の登録でいつでも30%~OFF!!!
入力された条件
型式
SA-1810
機長
L×
ローラ幅
W×
ピッチ
P
【オプション】
| フレーム塗装色 | |
| ローラ表面メッキ加工 | |
| ローラへのライニング加工 | |
| 色=, 肉厚= | |
| ローラ軸の変更 | |
| ローラ軸のメッキ付に変更 | |
| ストッパー | |
| ガイド |
価格が表示されない理由について
価格及び納期情報
製品価格
本体+オプション
0
台数
1
内訳
本体価格
0
オプション
0
運賃
0
合計4万円以上の場合はサービスです。
合計金額
0
納期
ご連絡いたします
コンベヤ重量
約
kg
出荷方法
組立品での出荷
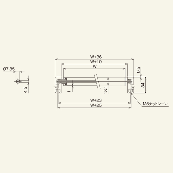
標準仕様
単位:㎜
| フレーム | フレーム材質 | 形状(サイズ) | 機高 | 表面処理 | フレーム内寸法 | 機幅 |
| アルミ製 | [ 34×13 | 34 | アルマイト | W+10 | W+36 |
| ローラ | ローラ径 | 肉厚 | 軸径 | 軸形状 | ベアリング | 耐荷重 | ローラ特寸対応 | ローラ表面 |
| 18 | 1 | 8 | 丸棒 | プレス | 軽軽 | フリーサイズ | アルマイト加工 |
入力値による簡易寸法図
34
36
10
設定した簡易図をダウンロード
最近見た商品
Checked item