RB-1216
価格:¥54,900(税別)〜
商品番号:RB-1216
【用途】
軽軽荷重搬送用
【製品の特徴】
1)ボス部スチール製カラー合わせタイプ
2)規格ベアリングにより高耐久
3)[34フレーム低床落し込みタイプ
注記1:軸止めは、針金止めになります。
ストッパー、ガイド選択時は、バラ送りとなります。
ゴム巻きの標準硬度は60度となります。
割引会員の登録でいつでも30%~OFF!!!
軽軽荷重搬送用
【製品の特徴】
1)ボス部スチール製カラー合わせタイプ
2)規格ベアリングにより高耐久
3)[34フレーム低床落し込みタイプ
注記1:軸止めは、針金止めになります。
ストッパー、ガイド選択時は、バラ送りとなります。
ゴム巻きの標準硬度は60度となります。
割引会員の登録でいつでも30%~OFF!!!
入力された条件
型式
RB-1216
機長
L×
ローラ幅
W×
ピッチ
P
【オプション】
| フレーム塗装色 | |
| ローラ表面メッキ加工 | |
| ローラへのライニング加工 | |
| 色=, 肉厚= | |
| ローラ軸の変更 | |
| ローラ軸のメッキ付に変更 | |
| ストッパー | |
| ガイド |
価格が表示されない理由について
価格及び納期情報
製品価格
本体+オプション
0
台数
1
内訳
本体価格
0
オプション
0
運賃
0
合計4万円以上の場合はサービスです。
合計金額
0
納期
7日間(目安)
コンベヤ重量
約
kg
出荷方法
組立品での出荷
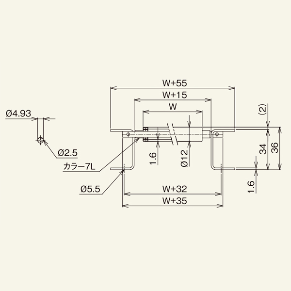
標準仕様
単位:㎜
| フレーム | フレーム材質 | 形状(サイズ) | 機高 | 表面処理 | フレーム内寸法 | 機幅 |
| スチール製 | [ 34×20×1.6 | 36 | 塗装 | W+15 | W+55 |
| ローラ | ローラ径 | 肉厚 | 軸径 | 軸形状 | ベアリング | 耐荷重 | ローラ特寸対応 | ローラ表面 |
| 12 | 1.6 | 5 | 丸棒 | 規格相当 | 軽軽 | フリーサイズ | メッキ |
入力値による簡易寸法図
36
34
55
15
1.6
設定した簡易図をダウンロード
最近見た商品
Checked item