R-TC320
価格:¥77,300(税別)〜
商品番号:R-TC320
【用途】
中軽荷重搬送用、スペースが無く小さいRが必要な時にご利用下さい。
1)内R320(mm)用で、角度90°です。
2)ローラ幅(公称)は300Wが標準です。
3)小径側は規格ベアリング、ボス部カラー合わせ、大径側は削り出しベアリング
注記1:ローラ間隔(P)は、相当ピッチ(P)になります。
ストッパー、ガイド選択時は、バラ送りとなります。
ゴム巻きの標準硬度は60度となります。
割引会員の登録でいつでも30%~OFF!!!
中軽荷重搬送用、スペースが無く小さいRが必要な時にご利用下さい。
1)内R320(mm)用で、角度90°です。
2)ローラ幅(公称)は300Wが標準です。
3)小径側は規格ベアリング、ボス部カラー合わせ、大径側は削り出しベアリング
注記1:ローラ間隔(P)は、相当ピッチ(P)になります。
ストッパー、ガイド選択時は、バラ送りとなります。
ゴム巻きの標準硬度は60度となります。
割引会員の登録でいつでも30%~OFF!!!
入力された条件
型式
R-TC320
ウチR
R×
ローラ幅
W×
ピッチ
P×
角度
°
【オプション】
| フレーム塗装色 | |
| ローラ表面メッキ加工 | |
| ローラへのライニング加工 | |
| 色=, 肉厚= | |
| ローラ軸の変更 | |
| ローラ軸のメッキ付に変更 | |
| ストッパー | |
| ガイド |
価格が表示されない理由について
価格及び納期情報
製品価格
本体+オプション
0
台数
1
内訳
本体価格
0
オプション
0
運賃
0
合計4万円以上の場合はサービスです。
合計金額
0
納期
10日間(目安)
コンベヤ重量
約
kg
出荷方法
組立品での出荷
標準仕様
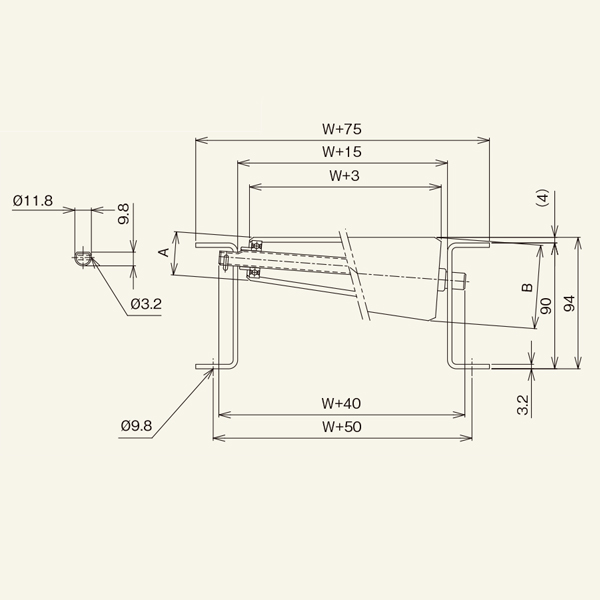
単位:㎜
| フレーム | フレーム材質 | 形状(サイズ) | 機高 | 表面処理 | フレーム内寸法 | 機幅 |
| スチール製 | [ 90×30×3.2 | 94 | 塗装 | W+15 | W+75 |
| ローラ | ローラ径 | 肉厚 | 軸径 | 軸形状 | ベアリング | 耐荷重 | ローラ特寸対応 | ローラ表面 |
| テーパー | 12 | パイプ | 削り出し | 中軽 | 標準のみ | メッキ |
入力値による簡易寸法図
94
90
75
15
3.2
設定した簡易図をダウンロード
最近見た商品
Checked item